
|
Pin 3 - Vbb doporučuji nezapojovat! Při zapnutém portfoliu se totiž přez něj baterie v kartě nabíjí,
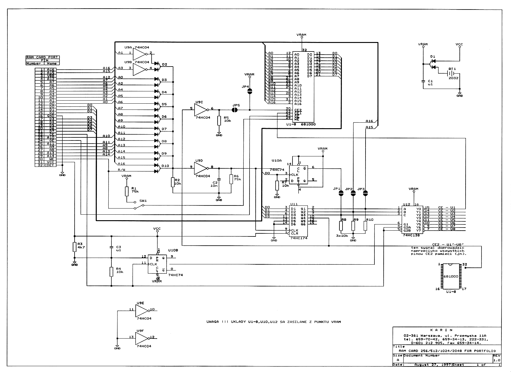
což běžným lithiovým bateriím nědělá moc dobře. Pro adresování karet větších než 128kB se využívá paměťová buňka 000Ah jako registr banků. Karta pak musí obsahovat dekodér adres, ktrerý odchytí kombinaci 000Ah na adresových vodičích a dekorér banků, který převede binární kombinaci z datové sběrnice na kód 1 z n, což budou CE jednotlivých 128kB pamětí. Při použití většího chipu RAM stačí místo dekodéru banků rovnou připojit vyšší adresy (A17 a výš) na registr banků. Tak lze teoreticky adresovat až 32MB paměti! Přepínání banků je také možno realizovat ručně přepínačem - efek bude jako kdybyste měli n karet v jené, ale aktivní bude vždy jen jedna. |
![]() |
![]() |
| Toto schema je určeno pro paměti s jedním vývodem /CE. Dioda D1
brání toku proudu do baterie, ve vypnutém stavu přez ní teče proud do paměti. Měla by mít
proto na sobě co nejmenší úbytek napětí. Dioda D2 brání vybíjení baterie do vypnutého portfolia. Dále je třeba, aby na vývodu /CE byla vždy definovaná logická úroveň. Signál /ChipEnable aktivuje paměť v úrovni 0, a umožní tak práci s jejím obsahem. V případě, že /CE = log 1 je paměť zablokovaná a odebírá také mnohem méně energie než v aktivním stavu. Log 1 na /CE je nastavena pomocí odporu R. Zde je však problém: přes odpor R se nám vybíjí baterie do vypnutého portfolia (je-li portfolio vypnuto, je na /CE log 0), proto je třeba zkusmo najít vhodonu největší velikost odporu R tak, aby při vyjmuté kartě byla ještě bezpečně definovaná log 1 na /CE. Nebo taky stačí, když kartu po vypnutí portfolia vyjmete ;-). Pokud někoho napadá elegantnější řešení, tak ať napíše. |
Toto schema je určeno pro paměti se dvěma vývody CE, patrně jen u 128 kB chipu. Ten má vývody /CE1 a CE2. Paměť je aktivována jen v případě, že /CE1 = log 0 a zárověň CE2 = log 1. To se pro náš případ hodí. Vývod /CE1 necháme napokoji, sám nic nezmůže. Vývod CE2 pak jednoduše stáhneme odporem asi 10 kohm na zem (tím definujeme CE2 = log 0) a připojíme ho na Vcc. Tím je zajišťěna deaktivace paměti pokud není napětí na Vcc, t.j. tehdy, je-li portfolio vypnuté nebo je karta vyjmuta. Je li portfolio zapnuté, protéká odporem několik desetin mA, a to jen v případě přístupu do paměti, takže se žádná energie záložní baterie na odporu neplýtvá. |
Předem upozorňuji, že tyto informace jsou určeny pro bastlíře, kteří se nešítí pájení ;-). Nároky na součástky jsou celkem malé. Budeme potřebovat 1 germaniovou a jednu křemíkovou diodu (v co nejmenším provedení), miniaturní odpor 4,7k - 6,8k, placatou lithiovou baterii (tak asi 2mm tlustou) a paměť:
- velikost 32-128kB
- provedení SMD, rozteč vývodů 1,25mm (1/20"), shodné zapojení vývodů z klasickým DIP provedením
- low power
- na přístupové době moc nezáleží, testováno 100ns
takže např. CXK 58257AM-10L, 62256-15LP, SM 681000 LLP 07M, LP 621024DM-70LL... (SMD TSOP)
Jako materiál karty použijeme jednostranný kuprexit tloušťky 2,5mm o rozměrech 54x84mm. Obrazec plošného spoje časem dodám, ale je celkem jednoduchý takže si ho jistě nakreslíte lihovkou. Takže uřízneme a opracujeme odpovídající kus kuprexitu, vyčistíme tvrdou pryží (jde to taky pískem na nádobí). Pro souhnu kontaktů desku opatrně zasuneme do vypnutého portfolia (mědí navrch) a několikrát ji povytahneme a zasuneme. Tím se pera kontaktů opíší na mědi a přesně víme, kde udělat kontaktní plošky. Po nakreslení obrazce tenkou lihovkou vyleptáme v roztoku FeCl34 a omyjeme. Pak je potřeba plochým vrtákem nebo lupenkovou pilkou vyříznout otvor pro baterii a obdélníkové otvory pro zapuštění paměti a ostatních součástek (je třeba dodržet určitou tloušťku karty, abyste ji dostali dovnitř). Zapájíme součástky a pocínujeme kontakty (můžete někdo pozlatit?) a nakonec nalakujeme tišťák roztokem kalafuny v čemkoliv se vám povede rozpustit, aby neoxydoval.
Pak stačí kartu zkusit zformátovat a hned vidíte jestli ji můžete vyhodit do koše nebo ne ;-). Mě osobně první karta fachala na první zapojení, druhé dvě s pochybnými pamětmi nikoliv.
Výsledek můžete vidět zde (4. karta):
Dnes jsem kápnul na jeden obchod, kde mají alespoň na objednávku vhodné paměťové chipy do CCM. Taxem si jeden objednal asi za 300. Za 14 dní by měl přijít SM 681000 LLP 07M, takže vám pak řeknu jestli se z něj povedla udělat funkční karta nebo jesi jsem zas šlápl do h0vna. Pak bych mohl movitým zájemcům i pár karet vyrobit :).
Tak už mám paměť konečně doma, ale přišel mi trochu jiný typ. Je to sice SMD ale trochu vetší než jsem čekal. Takže připravená fotopředloha mi je zase na nic a budu to muset nakreslit lihovkou. :-(
Hmm, taxem se nějak unáhlil. Zakoupenou pamět EliteMT za 266,- si teď můžu dát někam, protože jsem zjistil, že z neznámých příčin karta po vytažení zapomíná data. Podařilo se mi ještě sehnat chip od NECu za hříšných 440,- ale je to příliš vysoká cena a navíc jich mají ve skladu posledních 8 kousků. S tímto chipem nyní pracuje karta správně. Výšku karty se mi taky podařilo snížit natolik, aby šla zasunout do normálního portfolia. Nyní se pracuje na vyhotovení další, snad už konečné fotopředlohy (bojujeme s DPI, sháníme fólie... ;). Problémem však stále zůstává zlacení konektoru :(.
Tak po dlouhé době se vývoj karet zas o neco posunul... Jeden člověk mi nabídl profesionální výrobu plošných spojů u jisté firmy za rozumné ceny (ano všichni výrobci PCB v Praze se můžete jít bodnout) podle mojí předlohy. Takže sem nechal vyrobit 3 kousky, osadil (128kB SRAM) je a otestoval. Po stránce elektrické je vše v pořádku. Jako baterii jsem použil plochou lithiovku CR-2430 (3V/280mAh) s páskovými přívody a zapájel ji přímo do tišťáku. Kapacita baterie je alespoň dvojnásobná oproti té co je v originálních RAM-kartách a tomu by měla odpovídat i životnost a tak nebude třeba častá výměna. K tomuto řešení jsem se rozhodl hlavně kvůli jednoduchosti a spolehlivosti. Šlo by sice použít mechanizmu šuplíčku jako u karet Sunnysoft, ale bylo by potřeba docílit kvalitní kontakt přítlačných per. Ta se mohou unavit, při otřesech krátkodobě přerušit kontakt nebo zoxidovat. A navíc to zvětšuje tloušťku. Po stránce mechanické je trochu problém s tloušťkou karet, která je asi na úrovni karet Sunnysoft. Je to dané hlavně použitým paměťovým čipem a baterií. Do otvoru portfolia ji lze zasunout celkem bez problémů, ale nelze použít v memory expanderu. Kvůli tomu asi také ochrana karty bude sestávat pouze z laku proti oxidaci PCB, případně tenké samolepicí fólie. Další várka by už také měla mít konečně stříbřené kontakty. Zde je foto jedné z tří prototypů:
Omlouvám se všem zájemcům o paměťové karty, kteří poslali objednávku, ale další karty už nebudou. Člověk, který mi vyrobil první 3 tišťáky už zřejmě další dělat nebude a nikoho dalšího jsem nesehnal. Nehledě na to, že jsem za karty dosud nedostal zaplaceno. Nehodlám nad tím dále ztrácet čas a dělat ze sebe blbce.