ATARI
portfolio


   Atari portfolio má dva konektory rozhraní. "Díra" na levé straně je určena výhradně pro paměťové karty, zatímco konektor za krytkou na pravé straně je univerzální rozhraní. Ten obsahuje adresovou, datovou, řídicí, hodinovou a napájecí sběrnici (zapojení viz níže). Nejvíce se to podobá ISA sběrnici. Do této sběrnice lze strčit spoustu věcí, např. adaptér sériového/paralelního portu (existuje i kombinovaný), paměťový expander systémové RAM 256 kB, 3,5" disketová jednotka (i s LPT portem), adaptér pro připojení magnetofonu a možná i další. Já osobně jsem viděl pouze sériový a paralelní port.
   Komunikace s PC. Abyste mohli přenášet (a hlavně zálohovat :) data do/z PC je potřeba si opatřit COM/LPT adaptér. Bohužel je to stejně nedostatková věc jako RAM karty. Potom je třeba mít ten správný kabel. Pro sériové rozhraní stačí třídrátový (RxD, TxD, GND), pro paralelní je třeba kabel 1:1 (když si oba konektory dáte nad sebe a podíváte se na jejich piny, tak musí být spojen pin 1 konektoru 1 s pinem 1 konektoru 2 atd.) t.j. bez křížení.
   Co se týče softwaru, tak zde je jednoznačně větší podpora paralelního portu. Podporu paralelní komunikace má portfolio přímo v sobě (menu system/file transfer) a na PC existuje squelý program foliolink95, který vám zpřístupní jednotky portfolia v DOSu jako třeba interlink.
   Pro sériovou komunikaci existuje pár terminálů. Ty obvykle umožňují pouze poslat/přijmout jeden soubor. Také jsem zkoušel terminálem XTERM ovládat linuxovou konzoli a docela v pohodě. Stačí do souboru /etc/inittab doplnit řádek:
# Serial lines
# Atari portfolio terminal
s1:12345:respawn:/sbin/agetty /dev/cua1 4800 vt100
který spustí konzoli po COM2 na 4800 baudech (rychlost sérioveho portu na portfoliu se nastavuje v menu system/RS-232 port/Baud rate.
V DOSu lze něco podobného provést pomocí příkazu CTTY COM2, vlastnosti portu na PC je třeba předem nastavit pomocí příkazu MODE. Ovládat lze však jen progamy, které umožňují přesměrování výstupu, minimálně tedy externí příkazy DOSu. Tímto způsobem taky konfiguruju svůj MP3 Player.


Zapojení konektoru systémové sběrnice:

ABUF 1 2 5VS
REDY 3 4 VCC
BCOM 5 6 NCC1
NMD1 7 8 WAKE
DTR 9 10 DEN
PDET 11 12 IINT
CCLK 13 14 MRST
HLDA 15 16 HLDO
IACK 17 18 CDET
IOM 19 20 A19
A18 21 22 A17
A16 23 24 A15
A14 25 26 A13
A12 27 28 A11
A10 29 30 A9
A8 31 32 VRAM
HLDI 33 34 ALE
GND 35 36 NMIO
OA7 37 38 OA6
OA5 39 40 OA4
OA3 41 42 OA2
OA1 43 44 OA0
AD0 45 46 AD1
AD2 47 48 AD3
AD4 49 50 AD5
AD6 51 52 AD7
EINT 53 54 NRDI
VEXT 55 56 EACK
BATD 57 58 NWRI
5VS 59 60 BBUF
   Pin 1 je při pohledu na systémový port v pravo nahoře, pin 2 v pravo dole. Největší problém je však sehnat odpovídající protikus, který lze amatérsky jen těžko vyrobit. Teď se mi podařilo jeden protikus sehnat. Vyráběla ho firma TelTech, Inc. 7890 12th Avenue South, Minneapolis, MN 55425, (612)854-9177.
Pokud má někdo zájem o kompletní popis signálů, stačí mi napsat.


Zapojení paralelního kabelu portfolio-PC:
   Dost lidí se mě ptalo na zapojení LPT kabelu a já vždy odpovídal, že stačí kabel 1:1. A ono ale stačí dokonce méně. Zde je zapojení využívající jen šesti vodičů, díky čemuž je kabel tenčí, ohebnější a snazší na výrobu. Konertory jsou oba cannon 25 samice.
2 2 DATA 0
3 3 DATA 1
11 11 BUSY
12 12 PAPER ERROR
13 13 SELECT
25 25 GROUND (možno použít piny 18-25)



Zapojení sériového kabelu portfolio-PC:
cannon 9 (samec)
RxD 2 3 TxD
TxD 3 2 RxD
GND 5 5 GND
cannon 25 (samec)
RxD 3 2 TxD
TxD 2 3 RxD
GND 7 7 GND


Adaptér pro připojení joysticku na paralelní port:





Zde jsou schémata některých adaptérů:

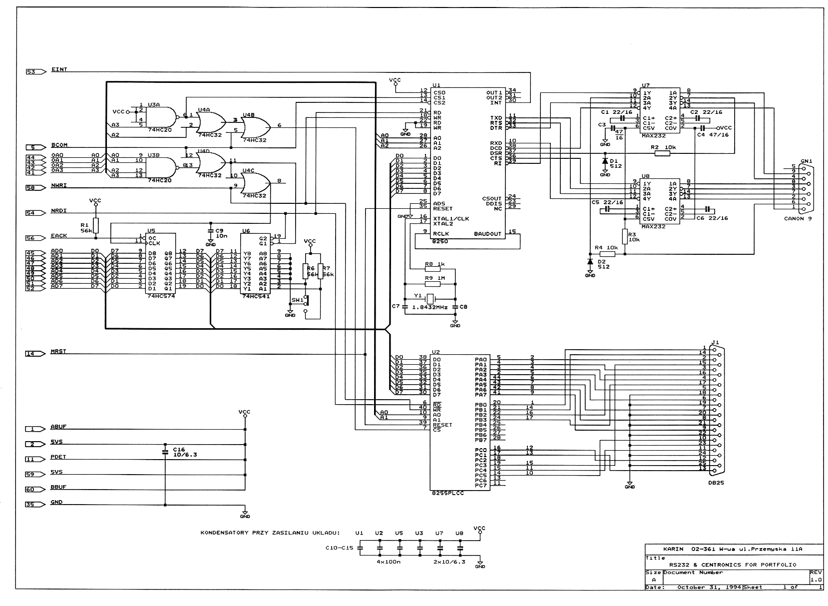
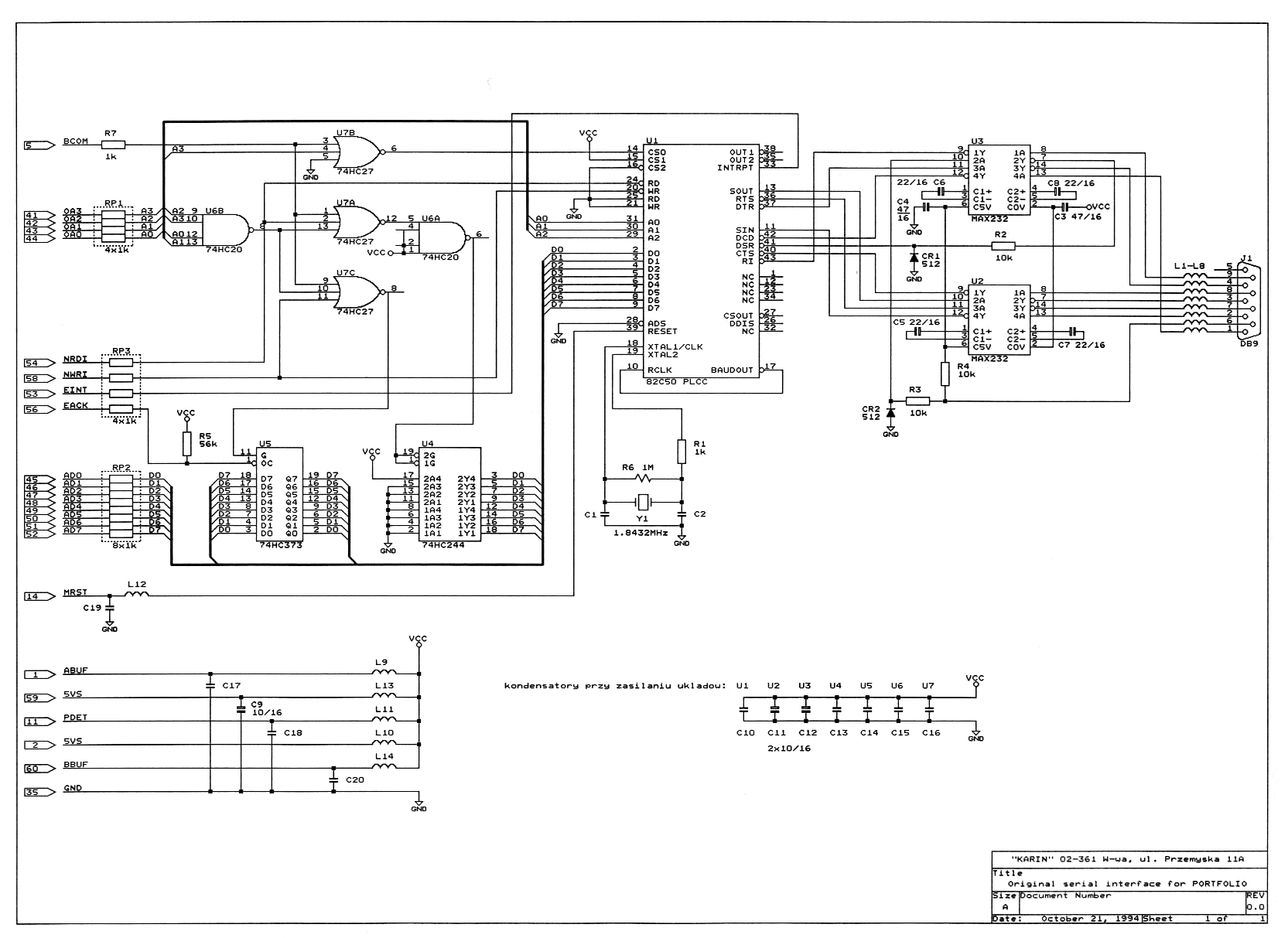
Sériový adaptér   GIF image [203kB]
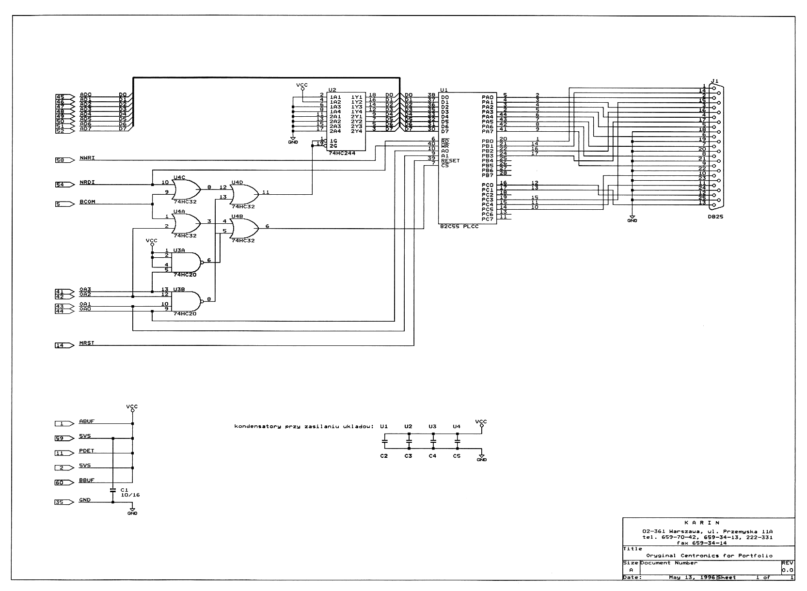
Paralelní adaptér   GIF image [114kB]
kombinovaný COM & LPT adapér   GIF image [218kB]
memory expander   GIF image [171kB]

Serial and Parallel Interface Parallel Interface Parallel Interface with ZIP Serial Interface-top
Serial Interface-bottom Serial Interface-inside Serial Interface-PCB top Serial Interface-PCB bottom



Replika sériového adaptéru
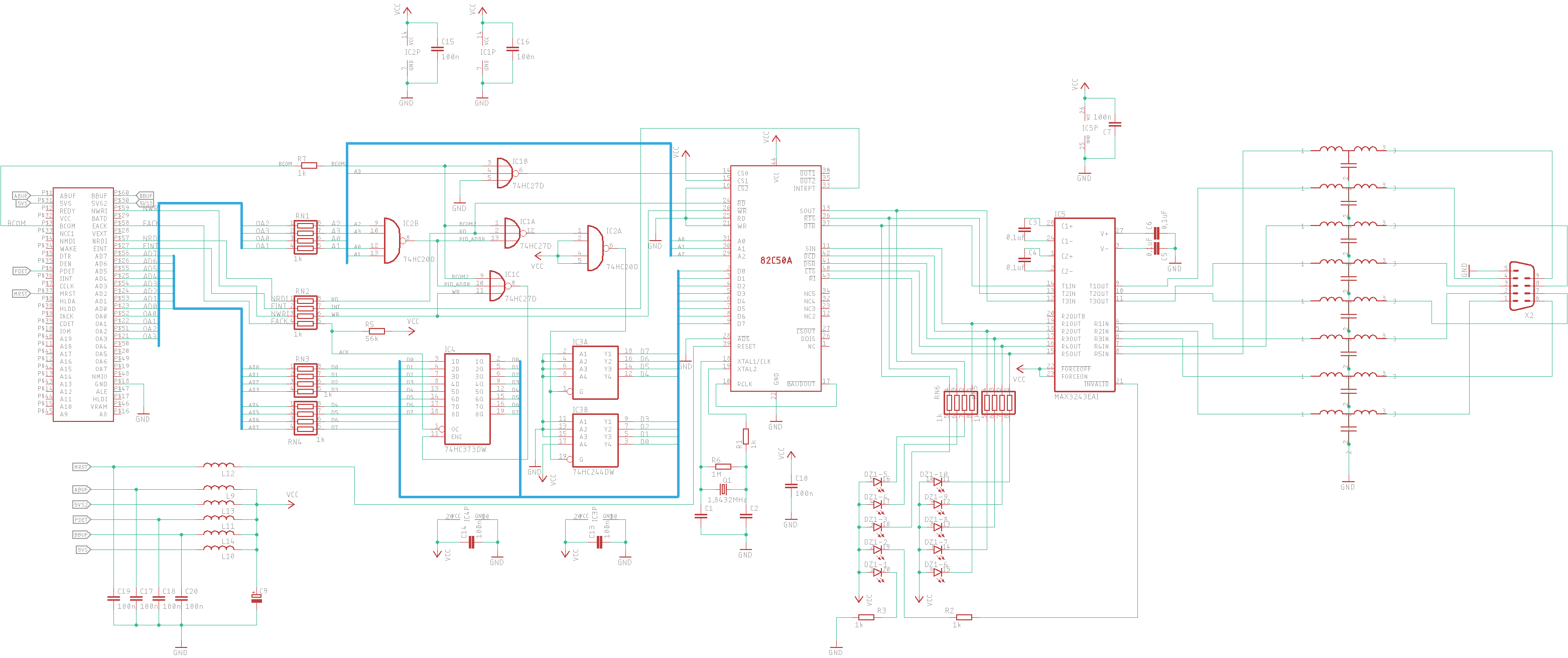
   Petr Kracík podle původního schématu vytvořil mírně upravenou repliku sériového adaptéru. Místo původních 2 převodníků úrovní MAX232 použil jeden vícekanálový převodník MAX3243 a přidal indikační LED. Bylo vyrobeno více kusů PCB, v případě zájmu kontaktujte autora zde.
New Serial Interface schematic New Serial Interface New Serial Interface




rayer^seznam*cz

zpět   zpět na index


aktualizováno 2:56; 14.12.2020